Positioning Stages 【 Montblanc Series 】
※Actual cable length differs from the image
Price ASK
  • Drawings file
    Drawing For Download
    Connect Fig File
Specification (Mechanical)
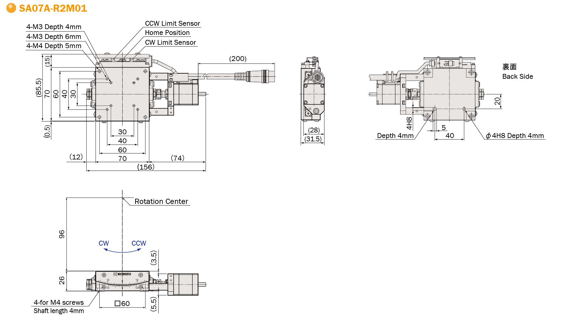
Model Number
SA07A-R2M01
Mirror Model Number
SA07A-R2M01-R
Table Size
70mm×70mm
Guide Mechanism
Cross Roller Guide
Angular Range
±4.5°
Lead Mechanism
Ball Screw, Lead 1.0mm
Resolution Full/Half Step
≈0.000564°/0.000282°
Resolution Micro Step (1/20 div)
≈0.0000282°
Maximum Speed
8.5°/sec : Half 30kpps
Repeatability
≦±0.001° (AVE.±0.0001°)
Lost Motion
≦0.003° (AVE. 0.0004° )
Backlash
≦0.003° (AVE. 0.0004° )
Moment Load Stiffness
0.06 arcsec/N cm (AVE. 0.037 arcsec/N cm)
Load Capacity
49N (5kgf)
Work Distance
96mm±0.2mm
Rotation Center Error
φ0.05mm/±4.5°
Material
Aluminum Alloy
Finishing
Clear Matt Anodizing
Weight
0.66kg
Specification (Electrical)
Sensor Model
F-116(HOME, LIMIT), Mirror Model: F-116R(HOME, LIMIT)
Motor Shaft Diameter
Φ5mm , Conformance option handle:A type
5 Phase Stepper Motor
Oriental motor: PK523HPMB-C4
Connector
Hirose: RP13A-12JG-20PC
2 phase stepper motor is available
SA07A-R2M01-BM
2 Phase Stepper Motor
Oriental motor: PKP225D15B2
2 Phase Stepper Motor Connector
Hirose: RP13A-12JG-20PC
Overhaul Price
ASK
*Additional parts cost is not included on Overhaul Price
Lubricant Change Option
Clean Room Lubricant Change Price ("-C" at the end of model number)
ASK
Vacuum Lubricant Change Price ("-V" at the end of model number)
ASK
Motor Change Option
Same Size Motor Change Price
ASK
Different Size Motor Change Price
ASK
*The Motor cost is not included on Motor Change Price
Remarks and Features

●Durable ball screw swivel stage
●Lightweight body (30% less than our same size product)
●Secure holes for positioning pins in the base
●Ultra high resolution typeUse a cable for 5 motor leads.